• 首页
  • 学院概况
    • 学院简介
    • 校训
    • 学院荣誉
    • 校园环境
  • 学院资讯
    • 学院新闻
    • 通知公告
  • 专业设置
    • 汽车维修
    • 公路施工与养护
    • 无人机操控技术
    • 新能源汽车检测与维修
    • 会计
    • 交通客运服务
    • 电子商务
  • 招生就业
  • 驾驶学校
  • 培训鉴定
    • 培训简介
    • 培训项目
  • 教育教学
    • 教研成果《公路工程现场检测》
  • 校园生活
    • 学生管理
    • 学生活动
    • 团学动态
  • 党群工作
    • 党群动态
    • 学院通讯
    • 网上党校
    • 不忘初心
    • 60周年校庆
  • 财务公开
  • 首页 (current)
  • 学院概况
  • 学院资讯
  • 专业设置
  • 招生就业
  • 驾驶学校
  • 培训鉴定
  • 教育教学
  • 校园生活
  • 党群工作
  • 财务公开
Banner
Banner
Banner
  • 第一部分:方案建设
  • 第二部分:方案实践
  • 第三部分:教学资源
  • 第四部分:成果获奖推广证明
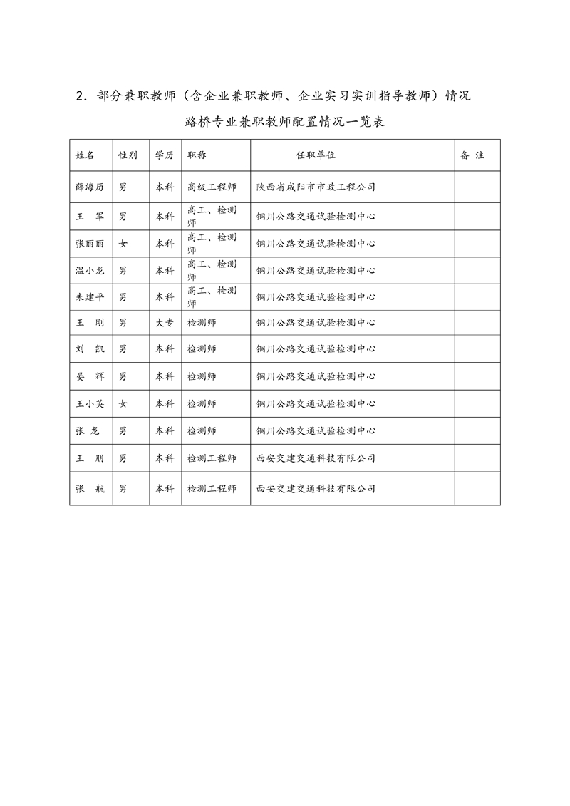
当前位置:首页 >> 教育教学 >> 教研成果《公路工程现场检测》

七、教学队伍

上传时间:2016-4-28    浏览量:92667        
下一页:八、运行机制与保障
上一页:一、调研报告
当前位置:首页 >> 教育教学 >> 教研成果《公路工程现场检测》

七、教学队伍

上传时间:2016-4-28    浏览量:92667        
下一页:八、运行机制与保障
上一页:一、调研报告

版权所有:陕西交通技师学院   陕ICP备09011520号-1

学院地址:陕西省西安市西咸新区泾河新城(泾阳永乐)

电       话:029-36381251      传真:029-36382223

招生电话:029-36381250  15394108550    邮编:713702

驾校电话:13186255263   13186253326

总访问量:549736次 陕公网安备61019602000494号

扫一扫
陕西交通技师学院

网站首页
招生就业
驾驶学校